



直流屏的種類:
1)、高頻開關直流系統(普遍采用)
2)、晶閘管相控直流系統(少量采用)
兩種系統比較:
相控電源紋波、高次諧波于擾較大,效率較低及體積龐大,監控系統不完善,難以滿足綜合自動化及無人值班變電站的要求。
高頻開關電源具有穩壓、穩流精度高、體積小、重量輕、效率高、輸出紋波及諧波失真小、維護容易、噪音小、自動化程度高的優點。
1.直流系統的輸出電壓等級:220V、110V、48V、24V;
2.220V系統與110V系統比較:
1)110V直流系統要求的絕緣水平較低,提高了運行的安全性。
2)110V直流系統蓄電池個數比220V直流系統減少一半。
3)110V直流系統二次回路電纜截面比220V直流系統大,負載不變,電壓小,電流自然大。
4)220V直流系統對變電站的事故照明回路比較有利,接線簡單,交直流回路可以共用照明燈具。
直流屏的作用
1、為高壓控制電路、高壓柜內智能裝置(如綜保等)和信號設備(如信號燈等)提供直流電源,低壓控制電路、低壓柜內智能裝置和信號設備的電源一般來自本柜220V交流電,不需要直流屏供電。
2、在停電情況下,仍能過蓄電池繼續給上述負載提供直流電源。
直流屏名詞注釋
合母(合閘母線或動力母線):給動力設備提供啟動電源的母線;如高壓柜的分閘與合閘、油泵或水泵的啟動等。
控母(控制母線):給直流負載包括儀器儀表、繼電器保護、信號設備、事故照明等提供直流電源的母線。
浮充:在正常運行時,充電裝置承擔經常負荷,同時向蓄電池組補充充電,以補充蓄電池的自放電,使蓄電池以滿容量的狀態處于備用。
均充:就是均衡電池特性的充電,指在電池的使用過程中,因為電池的個體差異、溫度差異等原因造成電池端電壓不平衡,為了避免這種不平衡趨勢的惡化,需要提高電池組的充電電壓,對電池進行活化充電。
四.直流電源系統組成部分
直流屏電源系統的主要功能單元包括交流配電單元、充電裝置、蓄電池組、降壓裝置、直流饋電單元以及監控單元等。
交流配電單元
1、交流輸入采用雙路三相交流進線,自動/手動互投。自動方式下,第I路優先,系統投入第I路主工作電源;當主工作電源失電時,第II路電源自動投入。手動方式下,可任選第I路或第II路電源作為輸入電源。
2、交流接觸器通過機械聯鎖和電氣互鎖兩種方式來防止兩路交流電源同時接入,以保證交流供電可靠運行。
3、配備C級防雷裝置,防止交流側引入雷擊損壞直流電源設備。
充電裝置(高頻開關模塊)
對負載提供直流電源。
與監控器配合對蓄電池進行各種形式的充電:均充、浮充、恒流充、恒壓充。
采用多模塊并聯,N+1冗余備份,提高系統可靠性;艾默生HD、ER系列。
前面板示意圖:
●可顯示整流模塊電壓、電流、故障代碼、地址、分組號、運行模式等信息。
●多機并行時,注意地址的設置。
直流屏的蓄電池組
作用:
作后備電源:一旦交流失電將由蓄電池供電;
作濾波電容:使整流器的直流輸出更加平滑,為負載提供質量更好的直流電源;
作動力設備的啟動電源:因為動力設備瞬間啟動的電流比較大,這個電流由蓄電池組來提供。
種類:
鎘鎳蓄電池:
正極活性物質主要由鎳制成,負極活性物質主要由鎘制成的一種堿性蓄電池。具有良好的大電流放電性能(10C5~12Cg)。數量多,維護工作量大,造價相對較高。
閥控式免維護密封鉛酸蓄電池:
蓄電池正常使用時保持氣密和液密狀態,當內部氣壓超過預定值時,
安全閥自動開啟,釋放氣體,當內部氣奪降低后安全閥自動閉合,同
時防止外部空氣進入蓄電池內部,使其密封。蓄在使用壽命期限內,
正常使用情況下無需補加電解液,稱之為免維護蓄電池。
直流屏調壓裝置
調節控制母線電壓,以向負載提供合適的直流電壓。通常采用降壓硅鏈串接于合閘母線和控制母線之間進行調壓,允許范圍2.5%Ue。可自動或手動調節。
為什么要調壓?若控制母線上電壓過高,則對長期帶電的設備,如繼電器、信
號燈等造成損壞或縮短其使用壽命;若控制母線電壓過低,則可能導致繼電保
護裝置和斷路器操動機構拒絕動作。
4.5直流饋電單元
將控制電壓和合閘電壓分配給各負載支路,可實現多種母線的接線方式,并具有配電監控、直流絕緣監測、開關量監測等。
配電監控(必選功能):交流配電模塊(EAU01)、直流配電模塊(EDU01);
絕緣監測(可選功能):監測母線及饋出支路的絕緣情況并可報出正負母及支路絕緣下降的接地電壓和接電電阻值。
開關量監測(可選功能):通過檢測該報警觸點狀態變化,獲得空氣開關的狀態,從而發出報警信號。
EGU01通用配電模塊用于檢測饋出空開態及溫度信號;或者是配合
EDU01檢測支路的絕緣狀態。可通過其撥碼開關選擇相應的功能。
4.6監控單元
1、對充電模塊、配電監控模塊、絕緣監測模塊等下級智能監控模塊實施數據搜集并加以顯示;
2、根據系統的各種設置參數進行警報處理、歷史數據管理等;
3、根據不同進行電池管理,輸出控制等操作;
4、監控采用大觸摸式(EMU10),中文菜單式設置,可實現與后臺機的通訊,將數據上傳。
直流屏的蓄電池管理參數設置方法:
1、浮充電壓:閥控式鉛酸電池用(2.23~2.28V)X節數X單體數;
鎘鎳電池用(1.36~1.45V)X節數X單體數。
2、均充電壓:閥控式鉛酸電池用(2.30~2.40V)X節數X單體數;
鎘鎳電池用(1.47~1.55V)X節數X單體數。
3、均充電流:閥控式鉛酸電池用0.1C10(C10為蓄電池的標稱容量);
鎘鎳電池用0.2C5(Cg為蓄電池的標稱容量)
4、均/浮轉換電流:閥控式鉛酸電池用0.01C10(C1為蓄電池的標稱容);
鎘鎳電池用0,02C5(Cg為蓄電池的標稱容量)
5、浮均轉換電流:閥控式鉛酸電池用0.05C1(C。為蓄電池的標稱容)
鎘鎳電池用0.08C5(Cg為蓄電池的標稱容量)
6、均充持續時間:均充電流小于均/浮轉換電流后,繼續保持均充的時間。
一般設為3小時。
7、定時均充時間:正常運行浮充狀態下每隔30~90天,強制轉入均充過程。一般設為90天。
8、溫度補償中心:以上設置的均充電壓和浮充電壓為溫度補償中心點的充電電壓。當環境溫度偏離溫度補償中心時,根據溫度補償系數對充電電壓進行補償。補償中心點的有效范圍:10-35°C,一般取25°C。
9、溫度補償系數:對均充電壓和浮充電壓以溫度補償中心進行負溫度補償。補償系數應根據蓄電池廠家提供的溫度補償參數進行設置,一般設置為3mV/單體。
直流屏蓄電池溫度補償電壓的計算方法:Vtc=Vn-TcXN(T2一T1)
其中,Vtc-_經溫度補償后的電壓:Vn-中心溫度對應的電壓;0TcA1-溫度補償系數,
單位:mV/(C.cell);N—每組電池的數值;/T1—中心溫度(單位:°C)。T2—溫度傳感器指示的溫度(單位:°C)。
例:如中心溫度為25"C,對應的浮充電壓為243V,蓄電池為2V/108節(或12V/18節),求
26.5°C時的浮充電壓?(設溫度補償系數為3mV/(°C.cell))
Vtc:243-0.003X108(26.5--25)=242.5V;—2V
Vtc=243-0.003X6X18(26.5--25)=242.5V;—12V(由6個2V的單體組成)
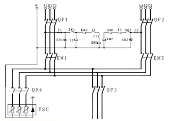
五.直流屏電源系統工作原理
1系統原理圖
2充放電工作曲線圖
直流屏維護
日常維護
1、檢查各信號燈工作是否正常;
2、每天記錄直流屏的運行情況,電壓、電流值,若發現異常及時處理;
3、蓄電池組狀態檢查:(1)保持蓄電池外部清潔(2)觀察各電池外觀是否有膨脹現象;
定期維護
1、每月測量一次蓄電池組的電壓及單體電池的電壓,每只電池電壓應在2.23~2.28V(浮充),若發現電池的電壓偏低或不均勻,應采取補充電的方法,使電池的電壓及容量恢復均勻;
2、每年對蓄電池核對容量一次,對蓄電池核對容量有二個目的;
(1)了解蓄電池的實際運行容量;
(2)對蓄電池組進行一次活化,使電池容量均勻。
運行維護注意事項:
1、測量電壓、電流時要作好安全保護措施:如戴絕緣手套等。
2、檢修時最好有兩個--起人作業。
3、直流屏的監控器的參數在調試時已按最優配置設定好,不能隨意改動里面的數參。
4、若果直流屏出現嚴重故障,請及時聯系廠家。
七.直流屏常用元器件更換方法
直流屏蓄電池核容試驗要點:
平時蓄電池組并聯在整流設備上,長期保持浮充狀態,這種電池在長期浮充之后,常常會出現活性物質脫落、電解液干涸、極板變形、柵極腐蝕及硫化等現象導致蓄電池容量降低甚至失效。因此原郵電部電信總局頒布的電信電源維護規程第83條規定:蓄電池每年做一次放電深度為30%~40%的核對性放電試驗;每三年做一次放電深度為100%的容量試驗,使用六年以后每年一次。
蓄電池放電期間應每小時測量一次端電壓和放電電流。
(1)只有一組蓄電池
當只有一組蓄電池時,不能退出運行,也不能作全核對性放電,只能用1o的電流恒流放額定容量的40%。在放電過程中,蓄電池組端電壓不得低于2VXN。放電后,應立即用110電流進行均衡充電。如果蓄電池容量達不到額定容量的40%,應反復放充(2~3)次,一般蓄電池組容量可得到恢復。
(2)有兩組蓄電池
如有兩組蓄電池,可先對其中--組蓄電池作全核對性放電,用1的電流恒流放電10小時,若其間有個別蓄電池組的端電壓下將到1.8VXN時,應停止放電。放完電后用1電流進行均衡充電。
如果蓄電池組放出的容量達不到額定容量的80%以上,應對蓄電池組重復進行多次的全核對性放充電。若經過3次全核對性放充電,容量均達不到額定容量的80%以上,則認為改組蓄電池使用年限已到,應安排更換。
1、直流屏更換電池熔斷器
注意:更換電池熔斷器可能導致直流輸出電源中斷。
更換步驟:
1.測量電池組的實際電壓。
2.利用專用的載熔手柄取下熔斷器。
3.在監控模塊中將當前模塊的輸出電壓調整到比電池電壓略高1~2V。
4.利用載熔手柄將新熔斷器安裝到熔座上。(可能產生小的火花)
5.在監控模塊中將輸出電壓恢復到原值。
2、直流屏更換信號熔絲
更換步驟:
1.拔下信號熔絲。
2.安裝新的信號熔絲(電池斷器沒安裝的情況不能安裝信號熔絲)
特別注意:
電池熔斷器與信號熔絲的安裝順序(1)拔電池熔斷器時,先要把信號熔絲取下;
(2)安裝電池熔斷器時,要先安裝熔斷器,再裝上信號熔絲。
3、直流屏更換充電模塊
充電模塊可以帶電熱插拔!
更換步驟:
1.松開前面板的固定螺釘。
2.沿水平方向從機柜中抽出模塊。
3.將新的充電模塊沿導軌插入機柜,固定相應的固定螺釘。
4.設置充電模塊上的撥碼開關。
4、直流屏更換充電模塊風扇
風冷模塊的風扇達到使用壽命損壞后,需要及時更換
更換步驟:
1.取下位于模塊前面板.上的格狀風扇罩。
2.取下風扇,撥開位于風扇后方的2芯電源插頭。(注意風扇的電源線不宜太長,否則可能導致電線卷入風扇,使風扇停轉)
3.固定好風扇,裝上風扇罩。
4.更換完畢。
上一篇:直流屏的蓄電池并聯改造應用方案
下一篇:UPS與直流屏的聯合應用
掃描二維碼
瀏覽手機端頁面
了解更多信息
地 址: 浙江省樂清市柳市鎮茶亭北路湖橫長虹工業園北區8棟
電 話: 0577-62767799
傳 真: 0577-62760677
郵 箱: 40081476@qq.com
郵 編: 325604
網 址: m.tiruningkanb.cn
